繁
无障碍浏览
怀化市人民政府
登录
|
注册
热门搜索:
居住证
|
身份证
|
公租房
|
生育保险
首 页
新闻中心
部门简介
政务公开
互动交流
办事服务
首页
>
政务公开
>
文件通知
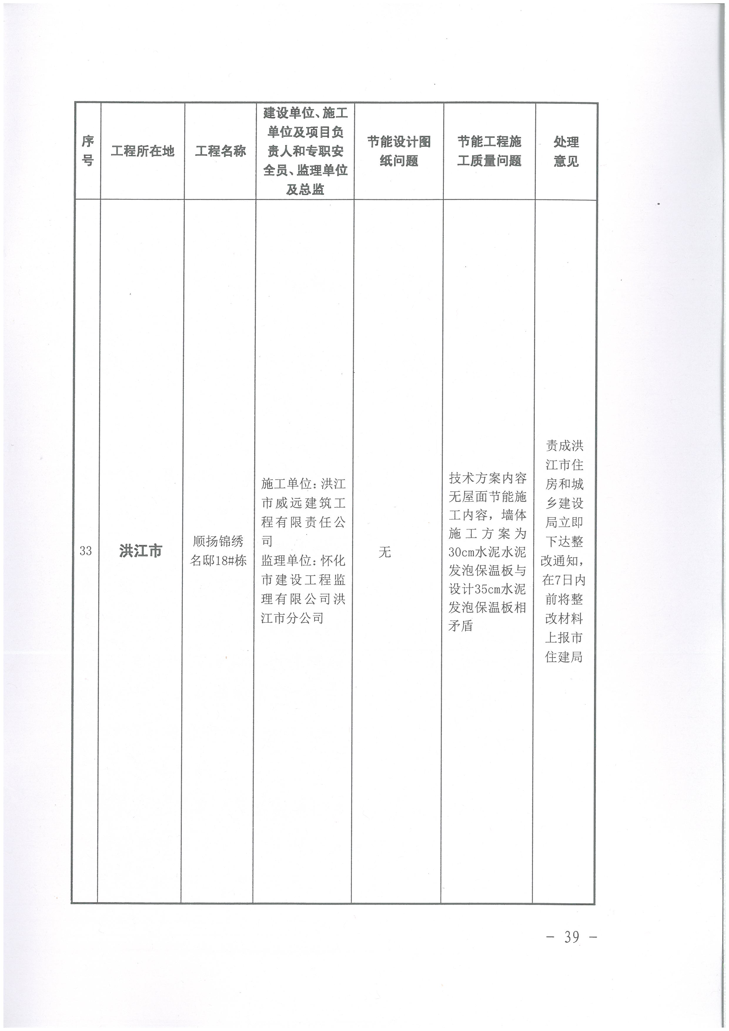
关于2018年上半年建筑节能、绿色建筑与装配式建筑及光纤到户、无障碍环境建设工作检查情况的通报
发布时间:2018-09-18 17:59
信息来源:怀化市住房和城乡建设局
打印本页
关闭窗口
分享到