繁
无障碍浏览
怀化市人民政府
登录
|
注册
怀化市生态环境局
部门首页
部门简介
新闻中心
政务公开
互动交流
政务服务
首页
>
政务公开
>
数据发布
>
大气质量
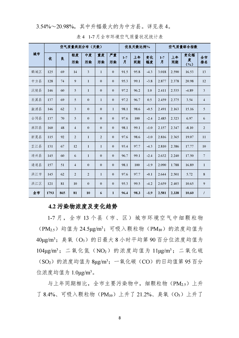
2025年7月怀化市环境空气质量月报
发布时间:2025-09-08 18:57
信息来源:怀化市生态环境局
打印本页
关闭窗口
分享到