繁
无障碍浏览
怀化市人民政府
登录
|
注册
热门搜索:
居住证 |
身份证 |
公租房 |
生育保险
首 页
新闻中心
部门简介
政务公开
互动交流
办事服务
首页
>
专题专栏
>
抽检信息
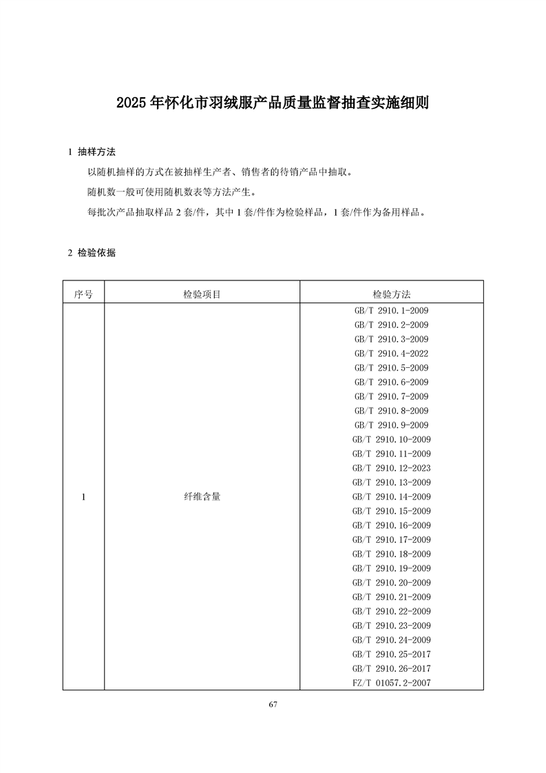
2025年怀化市工业产品质量监督抽查(二)
发布时间:2025-07-08 16:09
信息来源:怀化市市场监督管理局
打印本页
关闭窗口
分享到